当前位置:首页 > 教育

面心立方 实验中如何鉴别体心与面心立方?

题目:

实验中如何鉴别体心与面心立方?有具体步骤么?

解答:

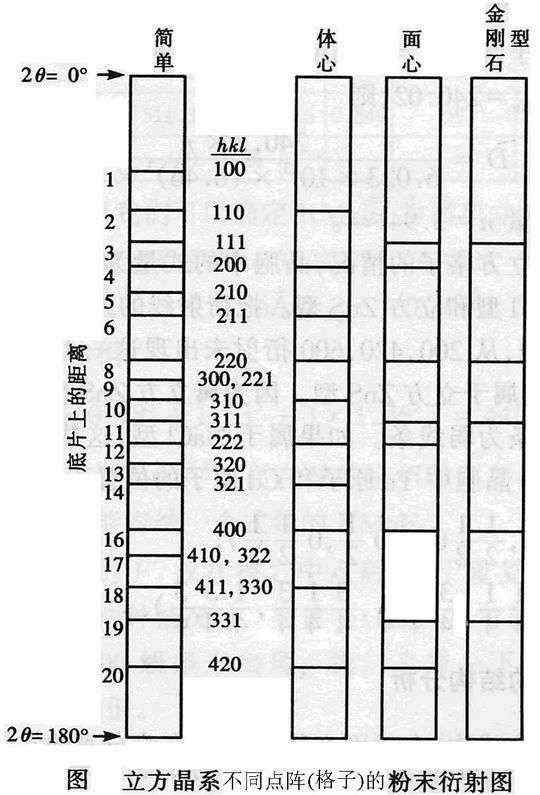
‍  体心立方晶体与面心立方晶体的X射线衍射的消光规律存在着明显差异;解析其X射线衍射谱图,并且对谱线进行指标化,可以依据消光规律明确区分体心立方与面心立方晶体.一、衍射系统消光衍射线强度与晶体结构密切相关.如果晶体正点阵中存在滑移面对称或螺旋轴对称元素,就有可能出现某些晶面网的结构振幅∣Fhkl∣=0现象.因为衍射线强度Ihkl正比于结构因数∣Fhkl∣2, 故这时的Ihkl =I(hkl)= 0, 即衍射谱线没有光强,不表现为衍射.这种因∣Fhkl∣= 0而使衍射空间中某些指标的衍射线消失的现象称为衍射系统消光.学习和掌握消光的概念和规律,无疑对解析和归属衍射图谱花样、衍射线指标化、点阵类型的确定、空间群和对称性的确定等发挥作用.二、衍射系统消光规律 结构因子F(hkl)是决定衍射强度的主要因素,它又是晶体面网指数(hkl)的函数,因此能导致F(hkl)或|F(hkl)|^2为0的那些面网指数就是衍射系统消光的规律.不满足消光的面网指数的衍射就应该存在,虽然其中可能有些衍射强度很弱,但不要与消光相混淆.此前应该具有就7种晶系中4种基本点阵分类讨论的知识. 以空间点阵为分类的消光规律适用于不同晶系.例如,只要是体心点阵,无论是立方体心、四方体心还是正交体心,其衍射的消光规律均相同.其它类推.结构因数表达式中也不含点阵参数之外能反映晶胞形状和大小的参数.四种点阵参数型和金刚石结构的衍射消光规律总结如下表1:-----------------------------------------------------------------------------------------------表1 四种空间点阵类型和金刚石的衍射消光规律点阵类型(包括晶系),衍射规律 ,消光规律;【用“,;”进行分列表述】简单点阵(所有晶系),全部出现 ,无消光点阵面;体心点阵(正交、四方、立方),h+k+l=(偶数),h+k+l=(奇数);底心点阵(单斜、正交),h和k全奇或全偶(此为C底心;若A、B底心时类推),h、k奇偶混杂(C底心);面心点阵(正交、立方),h、k、l全奇或全偶 ,h、k、l为奇偶混杂;金刚石结构(面心立方),h、k、l全偶且h+k+l=4n(n是自然数) ,(1)h、k、l全偶且h+k+l≠4n (2)所有其它的组合.------------------------------------------------------------------------------------------------三、消光规律在解析图谱中的应用1、知晶系点阵类型,解析归属衍射晶面,知衍射指标后判断点阵类型:此前已经具备对四种基本点阵中衍射系统消光的规律知识.如果预先已知样品的晶系点阵类型,如结晶聚乙烯(PE)属正交晶系茼单点阵,则它的(hkl)晶面的衍射都可能出现.又如NaCl晶体属面心立方点阵,则h.k.l三指数h、k、l全奇或全偶时衍射谱线就应该出现,而奇偶混杂时的面网的衍射就不可能出现,换句话说,即不能把衍射峰解析归属为100、110、210、310等奇偶混杂的面网.具有衍射且应该是全奇的或全偶的晶面三指数是:如(111)、(220)、(311)、(222)等,都是衍射谱峰可被归属的晶面指数选择.反过来,如果已知一系列衍射谱线的指标hkl根据这些指标中缺失的指数整体情况利用消光规律可以推断晶体的点阵类型及其所属晶系.当然优先进行谱线指标化可以通过多条途径完成.2、由消光条件获知晶体正点阵的对称性:衍射系统消光一般出现在晶体中含有滑移面、螺旋轴和带心(体心、底心、面心)的对称元素的类型中.据此,可先整理出消光条件,推断晶体中存在的对称元素,从而把对晶体的晶系分类和点阵结构分类的探知向前推进一步.因为滑移面的存在,使hk0,h0l,0kl类的衍射形成消光,有螺旋轴的晶体,其h00,0k0,00l型衍射中产生消光;那些带心的点阵,在hkl型衍射中出现消光.系统消光和对称性的对应规律有明确的表格可查阅.四、衍射指数指标化 衍射指数指标化就是求解出产生衍射图中每一条衍射线的面网指数.指标化后的衍射指数把衍射线与晶面族有机地联系到一起,只有知晓了衍射线对应的衍射晶面指数之后,才能完成点阵常数的具体计算、判断点阵类型、测算晶胞参数,才能鉴定类质同像系列的成份、检查XRD谱图中是否存在有杂线,才能研究多晶样品的相结构等.1、衍射指数指标化操作可分为两类不同样品分别进行:(1)已被指标化过的物相物质因为要对一个已知物相物质的XRD谱线进行指标化需要做许多深入的全方位的测试和研究的工作才有可能完成.此前收集成册的粉未衍射标准卡片或者期刊文献中记载的XRD谱图归属指标化结果凝聚了大量作者们的研究成果,并得到同行专家们的认可,所以在对这些样品的XRD谱线指标化时,只须由XRD谱获得各衍射线d值,按照d值索引或物质名字索引查得它的已知数据资料,核对谱图信息无误后,就可直接利用其已经完成指标化的指数结果.(2)指标化指数未知的或暂时没有查阅到标准数据的物相物质这些物质的XRD谱需要自己进行开拓性的解析归属指标化工作.其基本思路是根据XRD谱信息θ值,按照布拉格方程2d sinθ=λ求得面间距d值,代入各晶系面间距d的计算公式,可得:立方晶体: (sinθ)^2= (λ/(2d))^2=[λ/(2a)]^2 (h^2+k^2+l^2) ;四方晶体: (sinθ)^2= (λ/(2d))^2=[λ/(2a)]^2 [h^2+k^2+(a/c)^2 (l^2)];正交晶体: (sinθ)^2= (λ/(2d))^2=[λ/(2a)]^2 [h^2+(a/b)^2 (k^2)+(a/c)^2 (l^2)];六方晶体: (sinθ)^2= (λ/(2d))^2=[λ/(2a)]^2 [(4/3)h^2+hk+k^2]+(a/c)^2 (l^2)].三方晶体和三斜晶系的表达式更复杂,在此省略.对于任意一个晶胞,其参数A、B、C是各种可能值,a/b 、a/c一般为非整数.因此,考察一个系列θ1,θ2,……,θi的(sinθ)^2之比(也是(1/di)^2之比)中只有立方晶系的是整数比系列,即:(sinθ1)^2 : (sinθ2)^2 : …… : (sinθi)^2 = (1/d1)^2 : (1/d2)^2 : ……:(1/di)^2 =[(h1)^2+(k1)^2+(l1)^2] : [ (h2)^2+(k2)^2+(l2)^2] : …… :[ (hi)^2+(ki)^2+(li)^2] =1:2:3:4:5:6:8:9:……,又因为hkl也是整数,故该系列连比是一个缺7、15、23、28、31、39、47、55、60、……等(又称为禁数)的连续自然数比.操作中可以用第一项或(sinθ1)^2或(1/d1)^2值或它们的几分之几,去除各项的(sinθi)^2值或(1/di)^2值,所得商数组成一个缺某些禁数(如7、15、……)的连续自然数列时,该晶体属于立方晶系.其它晶系没有这一个重要特征,从而确定了这句话就是一个判断是否立方晶系的判定定理.不满足的就是一定是非立方晶系的晶体.注意对应100甚至110衍射峰由于多种原因没被检测到的情况,这时的数列比中就会缺少前面的一至数个数值(如1、2、……).五、立方晶系粉末相的指标化由于结构因数的作用,立方晶系中不同点阵类型的这一系列比也有规律:简单立方(P)1:2:3:4:5:6:8:9(缺7、15、23);体心立方(I) 1:2:3:4:5:6:7:8:9 :……= 2:4:6:8:10:12:14:16:18:……,起点是2 ;面心立方(F)3:4:8:11:12:16:19:20:24:27:32:……,起点是3、且有4 ;全钢石型 3:8:11:16:19:……,起点是3、但无4.典型的立方晶系不同点阵类型的粉未衍射谱图展示如下图:最大d值线总是晶面(100)(010)和(001)的一级衍射线,除非没被测到.化为整数比后,考察第一、第二数之比是0.5的、再考察其比数列中有无7;有7的是体心立方,第一线是110;无7的是简单立方,第一线是100.其比是0.75者是面心立方,第一线标111.其比是0.375者是金钢石型立方,其第一、二线是111、220.确定点阵类型后,每条衍射线的指标可依次归属,并可通过衍射强度理论计算加以检验.下面举例立方晶系ZrOS的X射线衍射谱图谱线指标化归属过程如下表:

名师点评:

°莫铭1684

1.《面心立方 实验中如何鉴别体心与面心立方?》援引自互联网,旨在传递更多网络信息知识,仅代表作者本人观点,与本网站无关,侵删请联系页脚下方联系方式。

2.《面心立方 实验中如何鉴别体心与面心立方?》仅供读者参考,本网站未对该内容进行证实,对其原创性、真实性、完整性、及时性不作任何保证。

3.文章转载时请保留本站内容来源地址,https://www.lu-xu.com/jiaoyu/427988.html

上一篇

1369的平方根 1369 101.2036 5 分别的算术平方根

下一篇

快乐练测 初一下学期数学题《快乐练测》上的

立方毫米等于多少立方米 1毫米的厚度1立方等于多少平方

题目:1毫米的厚度1立方等于多少平方解答:1÷(1/1000)=1000平方米把1毫米看成高度,换算成米多少平方作为底面积、1立方是体积体积÷高=底面积...

1的立方根是多少 负三次立方根负729分之1的立方根是多少

题目:负三次立方根负729分之1的立方根是多少负三次立方根负729分之1的平方根是多少?解答:-1/729的立方根是-1/9,1/729的平方根是1/27...

多立方 多立方浴霸有什么优点 多立方浴霸优点详细介绍【详情】

浴霸的使用时非常重要的,家家户户基本上都会在洗手间内安装浴霸设备,多立方这个品牌在浴霸的市场上也是小有名声,但是相比之下它并没有被大多数消费者所熟知,今天小编就来向大家细数一下多立方浴霸的有哪些过人之处。  浴霸原自英文 “BATHROOMMASTER”可以直译为“浴室主人...

水立方将变冰立方 【围观】北京水立方将变身冰立方 把水立方变成冰立方需要分几步?

水立方将变冰立方 【围观】北京水立方将变身冰立方 把水立方变成冰立方需要分几步?

#container {width:100%;max-width:720px;margin:0 auto;}    03:23  9月21日晚  北京2022年冬奥会迎来倒计时500天  为了服务北京冬奥会  国家游泳中心水立方  提出了“水转冰”的方案  水立方变成冰立方后  将成为世界上首个  在泳池上架设的...

水立方净水器 水立方净水器怎么样 水立方净水器配置评测【详解】

净水器又被称为是净水机,它是一种生活中非常常见的过滤水的设备。现在我们的生活水平提高了,人们也就更加注重健康了。水质对我们的健康来说是很重要的一个部分。为了饮用到更加健康的水,人们会选择使用净水器来帮助净化水质。净水器在我们的生活中得到了普及,所以它的品牌也逐渐增多了。下面...

蓝旗亲子游泳馆在北京水立方开业庆典活动中正式步枪发布

  • 蓝旗亲子游泳馆在北京水立方开业庆典活动中正式步枪发布
  • 蓝旗亲子游泳馆在北京水立方开业庆典活动中正式步枪发布
  • 蓝旗亲子游泳馆在北京水立方开业庆典活动中正式步枪发布
100立方厘米等于多少立方米 数学中1立方米等于多少立方厘米

100立方厘米等于多少立方米 数学中1立方米等于多少立方厘米

1立方米(m³)=1000000立方厘米(cm³)。1立方分米=0.001立方米。1立方厘米=0.000001立方米。小编为大家整理了体积单位换算、长度单位换算。体积单位换算1立方米=1000000立方厘米1立方分米=0.001立方米1立方厘米=0.000001立方米1方(...

立方根等于本身的数是 立方根等于本身的数是

立方根等于本身的数是 立方根等于本身的数是

立方根等于本身的数是1、-1和0。如果一个数的立方等于a,那么这个数叫a的立方根,也称为三次方根。即x³=a,x叫做a的立方根,x=3√a。其中a为被开方数,x为根指数。求一个数a的立方根的运算叫做开立方,立方和开立方运算,互为逆运算。在实数范围内,任何实数的立方根只有一个...